Audit de Gestion des Flux d’Air (GFA)

Économisez jusqu’à 25 % en énergie de traitement d’air dans votre usine agroalimentaire

Votre traitement d’air vous donne des sueurs froides ?

Dans les boulangeries industrielles et les usines agroalimentaires, le traitement d’air représente une part importante des coûts énergétiques, et pourtant, la majorité des installations surconsomme. Un audit spécialisé permet d’identifier ces inefficacités et de débloquer des économies immédiates.

Des signaux qui confirment le besoin d’un audit

Votre installation de traitement d’air nécessite une évaluation si vous observez :

Variations de température inexpliquées

Les zones de pousse, de refroidissement ou d’emballage affichent des écarts de ±3 °C. Ces fluctuations compromettent la régularité de vos produits et augmentent les rejets qualité.

Contaminations croisées entre zones de production

Les flux d’air non maîtrisés transportent des contaminants aéroportés d’une zone à l’autre. Ces contaminations croisées compromettent la sécurité alimentaire de vos produits et augmentent les risques de rappels.

Givrage rapide et récurrent des équipements

Vos évaporateurs, tunnels de surgélation ou spirales de refroidissement qui givrent trop rapidement. Ce givrage excessif réduit l’efficacité thermique et multiplie les arrêts pour dégivrage.

Humidité excessive et condensation en production

Vous observez de la condensation sur les murs, plafonds ou équipements en phase de production ou de lavage. Cette humidité excessive crée des conditions favorables aux contaminations microbiennes.

Facture énergétique en hausse constante

Vos coûts de ventilation, refroidissement et surgélation augmentent année après année. Sans ajustement, vos systèmes vieillissants peuvent consommer significativement plus que nécessaire.

Équipements inadaptés aux volumes actuels

Vos procédés ont évolué, mais pas vos installations. Les centrales de traitement d’air (CTA) dimensionnées il y a 10 ans ne répondent plus aux besoins d’aujourd’hui.

Unités de ventilation mal balancées

Vos centrales de traitement d’air (CTA) fonctionnent en permanence à pleine capacité ? C’est souvent le signe d’un dimensionnement excessif, d’une balance aéraulique inadéquate et d’un gaspillage énergétique majeur.

Notre méthode d’audit : Processus C3P en 5 étapes pour des gains mesurables

 

Étape 1 : Qualification des objectifs et des problématiques

Réunion virtuelle avec vos équipes pour définir précisément vos enjeux prioritaires : qualité produit, énergie, hygiène, conformité. Nous analysons vos schémas, plans, PID et documentation technique existante pour préparer l’intervention terrain. Cette étape permet d’évaluer les équipements concernés et de planifier les plages de travail en production et en phase de lavage.

 
Étape 2 : Réunion de lancement sur site
  • Rencontre avec vos équipes pour valider le déroulement de l’audit, les interlocuteurs, les accès et les règles de sécurité.
  • Connaissance approfondie de votre site et échanges avec toutes les parties prenantes du projet pour garantir une intervention fluide et sécuritaire.
 
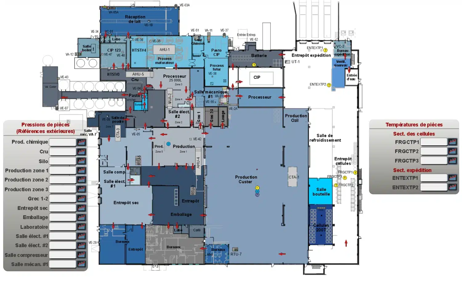
Étape 3 : Cartographie complète des flux d’air et campagne de mesures

Nous cartographions l’ensemble de votre usine en analysant les sens des écoulements d’air à l’échelle du site, en production et en phase de lavage. Nos techniciens évaluent les surpressions et dépressions des locaux selon leurs niveaux de risques, ainsi que la balance aéraulique des débits d’air neuf et extraction.

Nous mesurons sur chaque point critique :

  • Relevés des soufflages, reprises, air neuf et extractions HVAC et processus de production
  • Débits d’air et pressions statiques différentielles
  • Températures et gradients d’hygrométrie
  • Cycles de fonctionnement et relevés de fréquence des équipements
  • Points de condensation et identification des contaminations aéroportées
  • État d’hygiène des installations de traitement d’air (CTA, filtres, serpentins)

Les premières constatations du diagnostic peuvent être transmises immédiatement à vos équipes grâce à un débriefing rapide.

 
Étape 4 : Analyse énergétique et rédaction du rapport complet

Nous croisons les données de vos systèmes CTA, serpentins de chauffage, groupes frigorifiques et extracteurs. Cette analyse révèle les postes de surconsommation cachés et quantifie les surcoûts d’exploitation actuels.

Un rapport détaillé vous sera communiqué dans un délai de 2 à 3 semaines et comprendra les éléments suivants :

  • Schéma de cartographie des flux d’air
  • Bilans des débits d’air et balance aéraulique
  • Évaluation des installations existantes et de leur état d’hygiène
  • Estimation des surcoûts d’exploitation et économies potentielles
  • Conseils d’amélioration et préconisations techniques priorisées
  • Calcul de retour sur investissement pour chaque action
 
Étape 5 : Réunion de restitution stratégique et schéma directeur.

Présentation orale du rapport avec des commentaires et des échanges approfondis. Cette réunion permet la co-construction d’un schéma directeur adapté à vos priorités opérationnelles et budgétaires. Nous transformons les données techniques en plan d’action concret et applicable immédiatement.

Résultats garantit: qualité améliorée et coûts réduits​

Nos clients constatent des gains tangibles dès les premiers mois :

  • Économies énergétiques significatives: Réduction de la facture liée au traitement d’air. Les ajustements de débit, pression et cycles de fonctionnement génèrent des économies typiques jusqu’à 25 % selon les installations.
  • Contrôle d’ambiance stabilisé: Températures et humidité maîtrisées dans toutes les zones sensibles. Moins de variations = moins de rebuts = qualité constante.
  • Hygiène renforcée et contaminations éliminées: Flux d’air optimisés selon les niveaux de risques de chaque zone. Réduction drastique des contaminations aéroportées et des transferts thermiques non désirés entre ateliers. Conformité sanitaire renforcée.
  • Durée de vie des équipements prolongée: Un système équilibré réduit l’usure prématurée des composants. Maintenance préventive ciblée sur les vrais points critiques. Réduction du givrage rapide et des cycles de dégivrage.
  • Conditions de travail améliorées: Moins de condensation, d’humidité excessive et de variations thermiques pour vos équipes en production et en phase de lavage.

Et après l’audit ? De l’analyse à la mise en œuvre

Nous assurons l’accompagnement intégral lors de la mise en œuvre de nos recommandations.

Service de gestion de projet

Notre de gestion de projets réalise les actions prioritaires identifiées lors de l’audit. Vous bénéficiez d’un interlocuteur de proximité qui connaît parfaitement votre installation et vos enjeux. De l’audit à la mise en œuvre, un seul partenaire.

Démarche d’amélioration continue

Nous assurons le suivi et l’optimisation de vos installations dans le temps. Mesure des résultats, ajustements et accompagnement continu pour garantir la pérennité des gains réalisés.

Pourquoi nous choisir pour votre audit ?

 
30 ans d’expertise au Québec, 50 ans d’innovation technologique

Nous combinons trois décennies d’expérience du marché québécois et canadien avec l’expertise technologique développée depuis 50 ans. Nous connaissons les contraintes spécifiques des boulangeries industrielles et des usines agroalimentaires : cadences élevées, hygiène stricte, qualité produit. Notre approche intègre tous ces paramètres.

Double compétence technique et métrologie

Nos ingénieurs combinent analyse thermodynamique et mesures terrain. Cette double expertise garantit des recommandations applicables immédiatement.

Accompagnement de A à Z

Nous ne livrons pas qu’un rapport. Nous vous accompagnons dans la mise en œuvre et le suivi des actions. Indicateurs de performance adaptés à vos priorités industrielles.

Passez à l’action : réservez votre audit maintenant

Un audit global de vos flux d’air, c’est la première étape vers une usine plus performante et plus compétitive. Découvrez les opportunités d’optimisation qui s’offrent à votre site. Investir dans un audit spécialisé, c’est investir dans la pérennité de votre outil de production.

DES SOLUTIONS QUI PARLENT
LE LANGAGE DE VOTRE INDUSTRIE

Faites de notre expertise votre avantage sur le marché.

Recherche

Veuillez entrer vos termes de recherche